“产教融合 聚焦创新 服务校企” ——Automation Studio液压与气动仿真软件及教材编写推广培训班成功举办
“强化教育对科技和人才支撑作用,形成人才辈出人尽其才才尽其用生动局面”是当前职业教育最迫切的职责。为进一步加强职业院校“双师型”教师队伍建设,2月24日至3月7日,由加拿大Famic Technologies Inc.主办、常州信息职业技术学院及浙江亚龙教育装备研究院承办的“Automation StudioTM 液压与气动仿真软件使用及教材编写推广”培训班第一期至第三期顺利举行。该培训获得学界与业界的广泛关注,实际参训人员27人,学员既有来自本科院校、高职及中职教师,也有来自相关协会、国内外知名企业工程师。
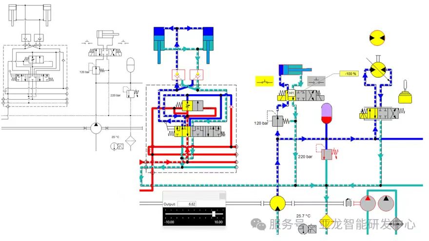
软件培训由加拿大FamicTechnologiesInc.亚洲区经理、技术销售王伟峰主讲,内容既包括Automation StudioTM 9.0中的液压与气动回路搭建与编辑、流体参数显示与故障设置、电气控制、PLC控制的流体回路联合仿真,也包括最新版本中的虚拟实验、回路剖面图设计、虚实联调等新功能;针对企业学员,还设置了阀块高效设计、行走机械液压、比例液压、数字孪生等内容。
教材编写培训由常州信息职业技术学院博士、副教授、《液压与气动技术》(北京理工大学出版社,ISBN:9787576336337)教材主编、涂琴主讲。培训内容主要包括教材建设背景、教改历程、教材解决的问题、编写思路与应对策略,课程思政建设及产教融合探索经验、仿真与实验环节设计等,并结合教材经典页面详细举例,理念、策略、做法兼顾。
本次培训以小班教学为特色,对校企同行免费开放。秉持“能理解、能做出、培训有效果”的理念,会务组提前发放问卷了解培训学员的需求,发密科提前发放密钥指导学员安装软件试用版,培训过程中在保障基本培训内容及效果的前提下,能够根据学员特点和需求及时调整培训内容,总体讲解与个别指导相结合。培训安排、师资力量、技术支持及培训效果得到培训学员的广泛认可。
通过交流探讨与调研,与会学员一致认为,该软件在提高教师虚拟仿真资源建设水平与教学效果、提高企业工程师系统设计及阀块设计效率等方面具有显著优势,能够有效破解传统教学“三高三难”问题(高投入、高损耗、高风险及难实施、难观摩、难再现)。教材的编写培训能够有机融入立德树人的根本需求,同时关注学生行动能力及创新能力提升,“顶天”与“立地”相结合。教材总体采用应用导向、职业特色明显,思路清晰、措施有效,凝聚了教材编写团队多年的思考与心血,教材质量精良,对职业教育支撑性和指导性强。本次培训汇聚职业教育产教优势资源,以软件与教材为载体,加强校企人才交流互动,聚焦创新能力提升,有效助力职业院校“五金”建设,为建设一流产业技术工程队伍及卓越工程师锻造提供了基础。
培训总体印象:
学员1:本次培训聚焦Automation Studio 9.0仿真技术应用与《液压与气动技术》教材开发,通过案例解析与实践操作,系统掌握软件建模、调试及优化方法,同时深入探讨课程设计新思路。理论与实操结合的模式,既强化了技术应用能力,又拓展了学科建设视野,为后续教学创新及科研实践提供了扎实基础。受益匪浅,期待未来深化学习!
学员2:通过这次软件及教材培训,我们不仅深入了解了行业前沿的技术和应用,还掌握了更多实用的操作技能。培训内容详实、讲解清晰,尤其是结合实际案例的演示,让我们对软件的使用有了更深刻的理解。我们深刻感受到贵单位在专业领域的深厚积累和用心付出,期待未来能有更多合作与交流的机会。再次感谢涂老师及发密科团队的辛勤付出及精心组织。
一、关于软件Automation StudioTM 9.0的反馈
企业学员反馈集锦:
学员1:软件自动化程度高,使用细节可以直接编辑和按照客户需求和习惯个性设置,非常好。
学员2:软件功能很强大,可以自动生成比较合理的三维布局和阀体。
高校学员反馈集锦:
学员1:软件功能比较强大,尤其是合作企业的元件库调用很方便,直观性很强,还有系统的性能测试、故障分析功能也比较好。这个软件在教学上不但能快速搭建各种系统的原理图,还能设定、修改各个参数做仿真,同时还能调出各个元件的解剖图以便能看清楚油液在阀体中的流动路径。
学员2:软件使用方便,回路展示清晰,便于融入教学。
学员3:软件功能强大,拓展广,是气动液压学习必备的软件。
学员4:功能全面,界面直观,适用教学范围广。
二、关于《液压与气动技术》(涂琴、史新民主编,北京理工大学出版社,ISBN:9787576336337)教材的反馈
企业学员反馈集锦:
学员1:教材浅显易懂、逐步深入,利用Automation Studio仿真讲液压原理变得形象有趣。教材涉及的内容全面、并且对液压难点都有针对性的说明,受益匪浅!
学员2:课本很好,加入了很多动画演示,没有以前那么枯燥,而其原理和实物可以对应上了,不至于工作后分不清。
高校学员反馈集锦:
学员1:该教材包含有丰富的动画、视频、行业案例与思政元素,让学生掌握液压知识的同时,了解了行业前沿的动态和知识,培养了学生大国工匠意识。
学员2:教材编写比较有特点,图文并茂,知识拓展,扫码可视。而且,内容紧扣企业的生产实际,指导性较强!
学员3:教材配图丰富,思政内容恰当,原理图与仿真图是彩图,可以很直观的看出动作过程,清晰明了。
学员4:教学进度适宜,适合机电大类教学使用,教材编写方法优势明显。

会议地点指示

软件功能介绍

软件实现数字孪生

涂琴讲解教材

软件新功能-剖面图设计

软件高亮显示功能

教材现场签售

学员交流教材编写

教材主编与读者合影

我要评论 (网友评论仅供其表达个人看法,并不表明本站同意其观点或证实其描述)
全部评论 ( 条)